Данные конденсаторы используются как для корректировки коэффициента мощности, так и для создания фильтров. В последнем случае их номинальное напряжение будет превышать номинальное напряжение сети и должно рассчитываться с учетом размера гармоник и наличия гармонических нагрузок.
Конденсаторные батареи поставляются в разобранном виде, оснащенные всеми необходимыми аксессуарами для эксплуатации.
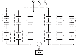
Электрическое подключение – двойная «звезда» с изолированной нейтралью. Оснащены защитой от разбалансировки тока.
Степень защиты IP 00.
Согласно стандарту, рамы могут содержать от 6 до 24 однофазных конденсаторов стандартной серии. Максимальная мощность 14.4 МВАр, макс. напряжение 24 кВ.
К поставке могут предлагаться следующие стандартные версии:
-
для внутренней или внешней установки. Эти две версии различаются между собой изоляцией трансформатора тока – смола или масло соответственно.
-
со стреляющими предохранителями или без них.
-
с реакторами -ограничителями пускового тока или без них.
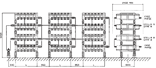
Батареи с более высокой мощностью или напряжением могут собираться на ярусных рамах (Рис 16).
Полнокомплектная батарея обычно состоит из следующих компонентов
- однофазные конденсаторы
- комплект конденсаторной батареи, включающий в себя раму, изоляторы, соединители, болты и гайки.
- защита от разбалансировки, состоящая из трансформатора тока и реле макс. тока, устанавливаемое на панели управления.
- различные аксессуары, включая стреляющие предохранители, реакторы-ограничители пускового тока, рубильники заземления, защиту от перегрузки, межблочные системы для разных батарей.
Уровень изоляции
Однофазные конденсаторы должны иметь уровень изоляции соответствующий сети, в которой планируется их установка.
Поскольку они разработаны для соединения «звездой», класс изоляции однофазного конденсатора должен определяться с учетом напряжений между линиями сети, а которых они установлены.
По стандарту, различаются два уровня изоляции
- номинальное напряжение до 7 кВ:
- уровень изоляции 12 кВ - BIL 28/75 кВ
- номинальное напряжение от 7 kV до 13.85 kV
- уровень изоляции 24 kV - BIL 50/150 kV
- напряжение отличное от указанных выше:
- уровень изоляции следует уточнить.
Трёхфазные конденсаторные батареи
Стандартные батареи мощностью до 14,4 МВАр - 24 кВ
| Кол-во конденсаторов | L, мм | Qmax, МВАр |
|---|
| 6 | 1360 | 3,6 |
| 9 - 12 | 2260 | 5,4 - 7,2 |
| 15 - 18 | 3160 | 9 - 10,8 |
| 21 - 24 | 4060 | 12,6 - 14,4 |
| H.S.V. кВ | C мм | 100 мм | 230 мм | 320 мм |
|---|
| 12 | HT | 1145 | 1275 | 1365 |
| 24 | HT | 1225 | 1355 | 1445 |
Размер C (см. табл. 3) показывает высоту однофазных конденсаторов
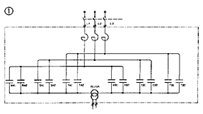
Рис. 18 – Версии со стреляющими предохранителями и без них.
-
* exp. fuses – стреляющие предохранители
-
standard – стандарт
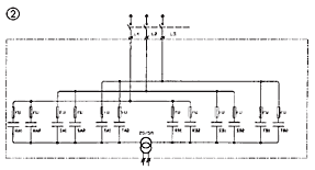
Для батарей с 6 конденсаторами и реактором нужно использовать раму на 12 конденсаторов
|
Кол-во конденсаторов
|
L, мм
|
Qmax, МВАр |
|
6 — 9 - 12 |
2260 |
3,6 — 5,4 — 7,2 |
|
15 — 18 |
3160 |
9 ÷ 10,8 |
|
21 — 24 |
4060 |
12,6 ÷ 14,4 |
|
H.S.V. кВ
|
C мм
|
100 мм
|
230 мм
|
320 мм |
|
12 |
HT |
1145 |
1275 |
1365 |
|
24 |
HT |
1225 |
1355 |
1445 |
Размер HL — см. индуктивные катушки на рис. 13
Рис. 19 Версия со стреляющими предохранителями и реакторами или без них
|
|
|
1 — с ограничительными катушками, без стреляющих предохранителей |
2 — без ограничительных катушек, со стреляющими предохранителями |
Рис. 20 – Электрическая схема
ТРЕХФАЗНЫЕ КОНДЕНСАТОРНЫЕ БАТАРЕИ
Батареи с более высокой мощностью и напряжением, до 220 kV. Используются стандартные однофазные элементы.
Могут быть оснащены стреляющими предохранителями или конденсаторами с внутренними предохранителями.
Версия до 36 кВ
Батарея с 3 последовательными секциями на фазу.
Номинальное напряжение 24—36 кВ.
Версия со стреляющим предохранителем
Ширина стальной рамы, мм
| Кол-во конденсаторов |
2 |
3 |
4 |
5 |
6 |
7 |
8 |
|
L, мм
|
860 |
1110 |
1360 |
1610 |
1860 |
2110 |
2360 |
Высота изолятора (мм)
|
Наивысшее напряжение системы (кВ)
|
17,5 |
24 |
36 |
|
H 2
|
255 |
305 |
445 |
|
H 1
|
215 |
255 |
305 |
Версия до 150 кВ
На примере показана батарея с 4 последовательными секциями на фазу.
Версия без предохранителей или с внутренними предохранителями конденсаторов.
Также возможно исполнение со стреляющими предохранителями. В таком случае, размер L будет соответствовать размеру на рис. 17.3.1, высота увеличится примерно на 1/3.
Номинальное напряжение 24 — 150 кВ.
Ширина стальной рамы (мм)
|
Кол-во конденсаторов
|
2 |
3 |
4 |
5 |
6 |
7 |
8 |
|
L, мм
|
760 |
1010 |
1260 |
1510 |
1760 |
2010 |
2260 |
Общая высота батарей зависит от класса изоляции.