Реакторы - ограничители пускового тока
В момент зарядки конденсатора, присутствует демпфированный осциллирующий переходной ток с очень высоким первым пиком. В соответствии со стандартом, ток первого пика должен быть в 100 раз меньше полезного номинального тока конденсатора.
Обычно, ограничение пикового тока на приемлемом уровне производится с помощью индукции питающей сети.
Однако при подключении конденсатора или батареи к другим уже заряженным конденсаторам, пиковый ток превышает допустимые пределы. В данном случае подключение соответствующих катушек индуктивности последовательно к конденсаторам или батареям позволяет сдерживать пиковые токи в допустимых пределах.
Значение индуктивности можно рассчитать по формуле, указанной в стандарте IEC 871.
Катушки индуктивности должны обладать определенными характеристиками, поскольку напряжение подаваемое на катушки при подключении батарей будет близким к напряжению сети. Кроме того, они должны выдерживать электродинамическую нагрузку, возникающую при пиковом токе.
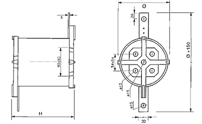
На рис. 13 и в табл. 7 на стр. 28 представлены характеристики стандартных однофазных катушек индуктивности с полым сердечником и медной обмоткой. Они также подходят для установки вне помещений.
Выбранная катушка индуктивности должна иметь номинальный ток в 1,5 раза больше номинального тока конденсаторной батареи. Катушки индуктивности пригодны для использования с батареями класса изоляции 12 и 24 кВ.
Поскольку они поставляются без опорных изоляторов, нужно подбирать класс изоляции подходящий для батареи, на которую планируется производить установку.
Рис. 13 – Общие размеры реакторов-ограничителей пускового тока
Фильтрующие индуктивные катушки
Фильтры предназначены для короткого замыкания гармоник, присутствующих в электросистемах. Они состоят из трехфазной батареи или конденсаторов подключенных «звездой» и трех катушек индуктивности последовательно включенных в саму батарею. Значение индуктивности должно быть таким, чтобы частота настройки фазовой емкости батареи была близка к частоте гармоники, которую требуется ликвидировать.
Обычно используются однофазные цилиндрические индуктивные катушки с полым сердечником, т.к. в этом случае значение индуктивности не изменяется при увеличении тока. Подбор индуктивных катушек должен выполняться на основе значения полезного тока, циркулирующего в самой катушке, а также принимая во внимание фундаментальный ток и компоненты гармоник, проходящие через фильтр.
Во избежание взаимного влияния трех катушек индуктивности и магнитных металлических компонентов, между последними нужно оставлять промежутки размером не меньше радиуса катушки индуктивности. Катушки можно устанавливать вряд или на вершинах треугольника.
На рис.14 показано расположение и предлагаемые минимальные расстояния между катушками индуктивности и магнитными материалами. Всегда придерживайтесь расстояний, рекомендуемых производителем. В отдельных случаях возможна установка реакторов один над другим для уменьшения занимаемой площади.
При установке фильтров внутри помещений нужно проверить мощность, рассеиваемую реакторами. Кроме этого, убедитесь в том, что конденсаторы не оказывают влияния на температуру воздуха в месте установки. Если такое влияние присутствует, необходимо использование соответствующей системы теплообмена.
 |  |
Рис.14 (1) – Ориентировочные размеры фильтрующих однофазных реакторов | Рис.14 (2) – Фильтрующие катушки индуктивности и расстояния между магнитными |