Конденсаторы типов MODULO 10 и MODULO 50 используются для стационарной компенсации коэффициента мощности большого диапазона двигателей и трансформаторов. У моделей всех типов та же внутренняя конфигурация с тремя ёмкостными элементами внутри соединенными проводами треугольником.
Система защиты от чрезмерного давления специально размерена так, чтобы постоянно обеспечивать максимальную безопасность на основе защиты заземлением и защиты от искрообразования даже в условиях высокой плотности энергии.
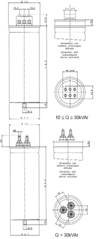
Тип MODULO10
В данном типе пропитанных смолой конденсаторов три элемента помещены в пластиковый контейнер, который вместе с пропитывающими веществами обеспечивает двойную изоляцию между витками сердечников и металлическим чехлом.
Чтобы гарантировать идеальное наполнение в процессе масляной пропитки сам процесс проводится до изолирования элементов; таким способом можно провести полный визуальный и размерный контроль согласованности и распространения.
Тип MODULO10
Конденсаторы нового типа 416.47 (MONO 50) получены при использовании трех элементов, повернутых новой стрелкой PPM, которая находится внутри металлической коробки. Части собраны при помощи обжима, чтобы обеспечить идеальную воздушную плотность системы и эффективную эксплуатацию устройства по обеспечению безопасности при чрезмерном давлении.
Использование технологии пропитки растительным маслом и расположения отдельных элементов внутри коробки обеспечивает высокую работоспособность конденсатора на основе теплоотдачи, а также длительный жизненный ресурс и отличную корпусную изоляцию.
Данный тип используется практически во всех системах компенсации коэффициента мощности Ducati Energia (стационарных или автоматических), которые основаны на трехфазных конденсаторах. Действительно, благодаря описанным выше характеристикам эти конденсаторы особенно удобны для продолжительного режима работы в условиях повышенной нагрузки в богатой гармонической среде.
Рекомендуется особенная осторожность при обжимании и уплотнении корпуса; сначала уплотняют крышку, чтобы обеспечить идеальную воздушную плотность системы.
Общие характеристики трехфазных конденсаторов
|
Тип
|
MODULO10
416.07.
|
MODULO50
416.47.
|
|
Номинальная частота
|
50 Гц (подходит для сети 60Гц)
|
50 Гц (подходит для сети 60Гц)
|
|
Допуск емкости
|
-5 +10%
|
-5 +10%
|
|
Потери диэлектрика
|
≤0,3 Вт/кВАр
|
≤0,2 Вт/кВАр
|
|
Высота
|
≤2000м над уровнем моря
|
≤2000м над уровнем моря
|
|
Режим
|
Продолжительный
|
Продолжительный
|
|
Диапазон напряжения
|
230 ÷450В
|
400 ÷880В
|
|
Степень защиты
|
IP 30 (IP 54 по требованию)
|
IP20 (IP 54 по требованию)
|
|
Испытательное напряжение (AC) между терминалами
|
2,15•Un в течении 2 с
|
2,15•Un в течении 2 с
|
|
Разрядное сопротивление
|
Внутреннее (75В за 3мин)
|
Внешнее (50В за 60с)
|
|
Испытательное напряжение (AC) между терминалами и корпусом
|
3кВ в течении 10с (Un≤660В) 6кВ в течении 10с (Un>660В)
|
3кВ в течении 10с (Un≤660В) 6кВ в течении 10с (Un>660В)
|
|
Температурный класс
|
-25/D
|
-25/D
|
|
Терминалы
|
3 х M5
|
Screw terminal (болт M5 для Q<7,5кВАр) (болт M10 для Q>30кВАр)
|
|
Макс. пусковой ток
|
100•In
|
200•In
|
|
Макс. перегрузка In
|
2•In
|
4•In
|
|
Ожидаемый жизненный ресурс
|
≥80000 – 25/D
≥100000 – 25/C
|
≥130000 – 25/D
≥150000 – 25/C
|
|
Max dV/dt
|
50 В/мс
|
100 В/мс
|
|
Стандарты
|
IEC 831 – 1/2
|
IEC 831 – 1/2
|
|
Одобрение
|
|
|
Тип MODULO10
Крышка клеммной коробки IP54

Размер при включенном устройстве
защиты от избыточного давления
|
|
Шурупы и болты
|
Усилие затяжки
|
|
М5
|
3 Нм
|
|
М12
|
11 Нм
|
Крышка клеммной коробки (IP54 при правильной эксплуатации)
Чтобы дать возможность устройству по защите от чрезмерного давления работать эффективно,
необходимо оставить зазор как минимум в 30 мм над элементом и использовать для соединения
гибкие выводы.
Тип MODULO50
Крышка клеммной коробки (IP54 при правильной эксплуатации)
Крышка клеммной коробки (IP54 при правильной эксплуатации)
Чтобы устройство от чрезмерного давления работать эффективно, необходимо оставить
зазор как минимум в 30 мм над элементом и использовать для соединения гибкие выводы.